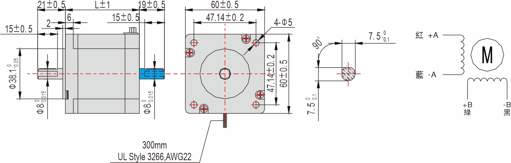
| 外形圖(單極線圈) |

※ 此外形圖為雙轉軸產品,單轉軸產品則無 部分的轉軸;
※ 我們可以根據您的需求制定步進馬達的電氣參數,也可以增配偏心齒輪減速箱或行星減速箱、斷電煞車、編碼器等;
※ 步進馬達安裝時務必用馬達前端蓋安裝止口定位,並注意公差配合,嚴格保證步進馬達輸出軸與負載的同心度。
| 外形圖(雙極線圈) |

※ 此外形圖為雙轉軸產品,單轉軸產品則無 部分的轉軸;
※ 我們可以根據您的需求制定步進馬達的電氣參數,也可以增配偏心齒輪減速箱或行星減速箱、斷電煞車、編碼器等;
※ 步進馬達安裝時務必用馬達前端蓋安裝止口定位,並注意公差配合,嚴格保證步進馬達輸出軸與負載的同心度。
| 60mm 系列 |
型號 | 外形尺寸 | 重量(kg) | |||
L(mm) | |||||
YSD266-XXX | 56 | 0.58 | |||
YSD267-XXX | 65 | 0.85 | |||
YSD269-XXX | 90 | 1.4 |
| 技術參數(單極線圈) |
步進馬達 型號 | 驅動器 型號 | 電流 /相 | 電阻 /相 | 電感 /相 | 靜力矩 | 引出線 | 轉子慣量 | 重量 | 機身長度 | |
單軸 | 雙軸 |
| A | Ω | mH | kg-cm |
| g-cm2 | Kg | L(mm) |
YSD266-RA6 | YSD266-RB6 | 3 | 0.8 | 1.2 | 11 | 6 | 350 | 0.58 | 56 | |
YSD267-RA6 | YSD267-RB6 | 3 | 1 | 1.5 | 12 | 6 | 450 | 0.85 | 64 | |
YSD269-RA6 | YSD269-RB6 | 3 | 1.4 | 3 | 26 | 6 | 780 | 1.4 | 90 | |
※ 其他特殊規格請與英士達機電或代理商洽談。
| 技術參數(雙極線圈) |
步進馬達 型號 | 驅動器 型號 | 電流 /相 | 電阻 /相 | 電感 /相 | 靜力矩 | 引出線 | 轉子慣量 | 重量 | 機身長度 | |
單軸 | 雙軸 |
| A | Ω | mH | kg-cm |
| g-cm2 | Kg | L(mm) |
YSD266-RA4 | YSD266-RB4 | 4.2 | 0.4 | 1.2 | 15 | 4 | 350 | 0.58 | 56 | |
YSD267-RA4 | YSD267-RB4 | 4.2 | 0.5 | 1.2 | 18 | 4 | 450 | 0.85 | 64 | |
YSD269-RA4 | YSD269-RB4 | 4.2 | 0.8 | 3 | 28 | 4 | 780 | 1.4 | 90 | |
※ 其他特殊規格請與英士達機電或代理商洽談。
| 矩頻曲線圖(單極線圈) |
※ 矩頻曲線圖是基於本公司測量條件的資料,條件發生變化時,矩頻曲線圖可能會發生變化。
※ 因驅動器條件的不同,步進馬達可能會出現明顯發熱的情形,請在步進馬達外殼溫度100℃以下時使用。
※ 請將驅動器的設定電流設置于步進馬達額定電流以下。
|
| |
|
| |
|
|
| 矩頻曲線圖(雙極線圈) |
※ 矩頻曲線圖是基於本公司測量條件的資料,條件發生變化時,矩頻曲線圖可能會發生變化。
※ 因驅動器條件的不同,步進馬達可能會出現明顯發熱的情形,請在步進馬達外殼溫度100℃以下時使用。
※ 請將驅動器的設定電流設置于步進馬達額定電流以下。
|
| |
|
| |
|
|
| 選購配件 |
馬達動力線:
型號 | 長度L(m) | 導體(m㎡) |
SEB-PC050-01E | 1 | 0.5 |
SEB-PC050-02E | 2 | |
SEB-PC050-03E | 3 | |
SEB-PC050-04E | 4 | |
SEB-PC050-05E | 5 | |
SEB-PC050-07E | 7 | |
…… | …… | |
SEB-PC050-10E | 10 |
※ 用於步進馬達與驅動器之間連接時使用的已壓連接器的1000萬次超高柔拖鏈電纜線。
步進馬達與驅動器間的配線距離,請控制在10m以下。
馬達煞車線:
型號 | 長度L(m) | 導體(m㎡) |
SEB-BC050-01E | 1 | 0.5 |
SEB-BC050-02E | 2 | |
SEB-BC050-03E | 3 | |
SEB-BC050-04E | 4 | |
SEB-BC050-05E | 5 | |
SEB-BC050-07E | 7 | |
…… | …… | |
SEB-BC050-10E | 10 |
※ 用於步進馬達與驅動器之間連接時使用的已壓連接器的1000萬次超高柔拖鏈電纜線。
步進馬達與驅動器間的配線距離,請控制在10m以下。
| 電纜線注意事項 |

|
| |
插拔連接器時,請務必握住連接器進行操作。 如果拉住電纜線進行操作,可能會導致接觸不良。 | 請勿彎曲連接器部分的電纜線,如果連接部或端子施加應力,可能會導致接觸不良或斷線。 請固定紅色兩處連接器部分,以防止連接器部晃動,導致端子損壞或接觸不良。 | |
|
| |
插入連接器時: 請握住連接器本體,筆直插入。 如果傾斜插入,可能導致端子損壞或接觸不良。 拔出連接器時: 請先解除連接器的卡扣,然後筆直拔出。 如果握住電纜線拔出,可能導致連接器損壞。 | 請使用適當的長度進行配線,以免電纜線移動時也不會被拉扯。此外,請確保彎曲半徑R在電纜線直徑6被以上。 |
| 定制出軸方式 |
|
|
|
| |||
圓軸 | 單扁絲 | 雙扁絲 | 鍵槽 | |||
|
|
|
| |||
滾花 | 滾齒 | 通孔 | 空心軸 | |||
|
|
| ||||
螺紋軸 | 齒輪 | 同步帶輪 |
| 定制接口方式 |
|
|
| ||
□42mm 系列 馬達端接口:Moles 89401-1160 引線端接口:Moles 87369-1100 | □42mm 系列 馬達端接口:JST S6B-PH-K 引線端接口:JST PHR-6 | □56mm 系列 馬達端接口:JST S6B-FH 引線端接口:JST PHR-6 | ||
|
|
| ||
□56mm □60mm 系列 馬達端接口:JST S11B-XH-A-1 引線端接口:JST XHP-11 | □56mm 系列 馬達端接口:JST S6B-XH-A-1 引線端接口:JST XHP-6 | □60mm 系列 馬達端接口:JST S7B-XH-A-1 引線端接口:JST XHP-7 |
| 技術參數 |
項目 | 技術參數 |
步距角 | 1.8゜ |
步距角精度 | ±5%(整步,空載) |
電阻精度 | ±10% |
電感精度 | ±20% |
溫升 | 80℃ Max (額定電流,二相通電) |
環境溫度 | -20℃~+50℃ |
絕緣電阻 | 100MΩ Min500VDC |
耐壓 | 500V AC 一分鐘 |
徑向間隙 | 0.02Max (450g 負載) |
軸向間隙 | 0.08Max (450g 負載) |
徑向最大負載 | 75N (距法蘭面20mm) |
軸向最大負載 | 15N |
| 應用領域 |
木工雕刻機、鐳射雕刻機、打標機、貼標機、固晶機、焊線機、UV印表機、3D印表機、噴繪機、繪圖器、繡花機、點膠機、灌膠機、焊錫機、BGA返修台、貼合機、貼片機、熱壓機、背光源貼膜機、塗裝機、往復機、端子機、剝線機、繞線機、錫膏印刷機、PCB鑽孔機、V-CUT機、打靶機、FPC補強機、塗布機、疊片機、IC分選機、IC燒錄機、編帶機、醫療設備、非標設備、XYZ測量儀、連接器組裝機、SMT周邊設備等


































